Product Summary
|
RVE35 Series Solar Pump VFD |
|
|
|
|
DC /AC INPUT |
|
|
|
Refined design |
|
|
|
MPPT |
|
|
Parametric |
||
|
|
Model |
RVE35-T3-200G ~ RVE35-T3-250G |
|
Voltage |
350VDC to 800/900VDC input, 3 PH 380VAC to 440VAC input |
|
|
P rated (kW) |
200/220/250 |
|
|
Rated current (A) |
380/415/470/520 |
|
|
MPPT Vmp/Voc |
540/660 |
|
|
Dimensions (mm) |
900*540*358 |
|
Application Backgrounds
![]() |
In recent years, with the increasing severity of the global "food problem" and "energy problem" solar water pumps have gradually been hailed as the effective industrial integration products to solve the problem of increasing output of efective cultivated land and replacing fossil energy with clean energy. As a result, an emerging economic model was born in which the solar industry developed in combination with traditional industries such as agricultural water conservancy, desert control, domestic water use, and urban waterscape. |

Product Features
• Maximum power point tracking (MPPT) with fast response speed and stable operation
• Dry run (under load ) protection
• Motor maximum current protection
• Input power protection
• Low stop frequency protection
• The PQ (power/flow) performance curve enables calculating the flow output from the pump
• Digital control for fully automatic operation, data storage and protective functions
• Intelligent power module (IPM) for the main circuit
• LED display operating panel and support remote control
• Dual mode AC and DC power supply input is available
• Low water probe sensor, and water level control function
• Ambient temperature for using: -10 to +50˚C.
|
Refined design Installation area reduced by 50% Volume reduced by 30% |
|
|
|
The full-automatic three-proof paint coating machine is used to thicken the protective layer of the circuit board, effectively preventing the damage of the circuit board caused by wind dust, corrosive gas and humid air. |
|
|
Adopt full-automatic detection equipment to test various electrical indicators and protection functions of products under rated load. |
|
|
All fnished products are aged under load for 48 hours at a high temperature of 60 degrees, and then all electrical indicators are tested under load, so as to reduce the product failure rate. |
Model Nomenclature

General type S2 series:
Vmp 310VDC or 220VAC input, 1/3 phase 0-220VAC output
|
Model |
Rated current ( A ) |
Output voltage ( VAC ) |
Applicable for power (kW) pump |
External of drive size H*W*D (mm) |
MPPT Vmp/Voc |
|
RVE35-S2-0R7G |
4 |
0-220 |
0.75 |
187*86*152 |
310/372 |
|
RVE35-S2-1R5G |
7 |
0-220 |
1.5 |
||
|
RVE35-S2-2R2G |
10 |
0-220 |
2.2 |
||
|
RVE35-S2-3G |
13 |
0-220 |
3 |
265*105*164 |
|
|
RVE35-S2-4G |
16 |
0-220 |
4 |
General type T3 series:
Vmp540 to 650VDC or 380 to 460VAC input, 3 phase 0-380/460VAC output
|
Model |
Rated current ( A ) |
Output voltage ( VAC ) |
Applicable for power (kW) pump |
External of drive size H*W*D (mm) |
MPPT Vmp/Voc |
|
RVE35-T3-0R7GB |
2.5/3.7 |
0-380/440 |
0.75 |
187*86*152 |
540/660 |
|
RVE35-T3-1R5GB |
3.7/5 |
0-380/440 |
1.5 |
||
|
RVE35-T3-2R2GB |
5/10 |
0-380/440 |
2.2 |
||
|
RVE35-T3-4GB |
10/13 |
0-380/440 |
4.0 |
||
|
RVE35-T3-5R5GB |
13/16 |
0-380/440 |
5.5 |
265*105*164 |
|
|
RVE35-T3-7R5GB(Plastic Case) |
16/25 |
0-380/440 |
7.5 |
||
|
RVE35-T3-7R5GB(Iron case) |
16/25 |
0-380/440 |
7.5 |
333*150*216 |
|
|
RVE35-T3-11GB |
25/32 |
0-380/440 |
11 |
||
|
RVE35-T3-15GB |
32/38 |
0-380/440 |
15 |
||
|
RVE35-T3-18GB |
38/45 |
0-380/440 |
18 |
383*180*228 |
|
|
RVE35-T3-22GB |
45/60 |
0-380/440 |
22 |
||
|
RVE35-T3-30GB |
60/75 |
0-380/440 |
30 |
435*175*265 |
|
|
RVE35-T3-37GB |
75/90 |
0-380/440 |
37 |
||
|
RVE35-T3-45G |
90/110 |
0-380/440 |
45 |
670*265*358 |
|
|
RVE35-T3-55G |
110/150 |
0-380/440 |
55 |
||
|
RVE35-T3-75G |
150/170 |
0-380/440 |
75 |
||
|
RVE35-T3-90G |
170/210 |
0-380/440 |
90 |
845*305*358 |
|
|
RVE35-T3-110G |
210A/250 |
0-380/440 |
110 |
||
|
RVE35-T3-132G |
250A/300 |
0-380/440 |
132 |
||
|
RVE35-T3-160G |
300A/340 |
0-380/440 |
160 |
788*500*360 |
|
|
RVE35-T3-185G |
340/380 |
0-380/440 |
185 |
||
|
RVE35-T3-200G |
380/415 |
0-380/440 |
200 |
900*540*358 |
|
|
RVE35-T3-220G |
415/470 |
0-380/440 |
220 |
||
|
RVE35-T3-250G |
470/520 |
0-380/440 |
250 |
||
|
RVE35-T3-280G |
520/600 |
0-380/440 |
280 |
1035*620*400 |
|
|
RVE35-T3-315G |
600/680 |
0-380/440 |
315 |
||
|
RVE35-T3-355G |
680/750 |
0-380/440 |
355 |
1290*780*410 |
|
|
RVE35-T3-400G |
750/810 |
0-380/440 |
400 |
Excellent Performance
|
|
High-performance vector control to improve equipment accuracy |
|
The maximum output frequency under vector control reaches 1500 Hz, which can achieve high-precision speed output within the 1o-fold weak magnetic speed regulation range. |
|
|
|
|
|
|
Perfect drive for synchronous motors |
|
Current waveform of synchronous motor in open-loop vector control mode at 500 Hz with 100% rated load. |
|
|
|
|
|
|
Reliable heat dissipation design |
|
The independent double air duct design technology can realize the use of the solar pump drive with 50 ℃ ring temperature without capacity reduction. |
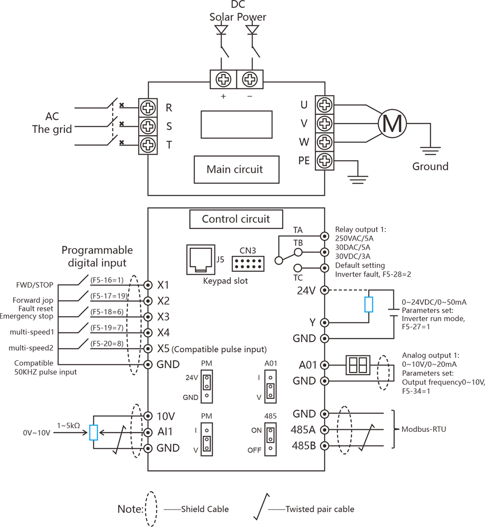
Wiring Diagram
For RVE35 0.75kw-7.5kw products, please note the following:
1. The product does not contain X6 and X7 logic input terminals;
2. The product only includes 1 analog input, 1 analog output, and 1 relay output

English
Español
عربى
















































